腾博官网诚信为本

      ACKST1707
      储能
      磁屏蔽结构闭合磁路,抗电磁干扰强,超低蜂鸣声.可高密度安装。
      小体积,大电流在高频和高温环境下保持优良的温升电流及饱和电流特性。
      低损耗合金粉末压铸,低电阻.结构牢固,产品精准度高。
      产品信息
      测试参数
      阻抗曲线
      插入损耗
      回波损耗
      L频率
      TL RMS
      饱和电流
      Scc21参数
      Ssd21参数
      共模抑制
      漏感频率
      Q值曲线
      产品用途
      PAD,笔记本电脑,台式机,服务器,音箱,网通,安防,手机,智能家居,储能设备等
      产品参数
      样品申请
      系列
      型号
      PDF
      电感值
      (μH)
      电感/
      阻抗公差
      测试条件
      DCR
      (mΩ)MAX
      饱和电流
      TYP(A)
      温升电流
      TYP(A)
      用途
      状态
      工作温度
      (℃)

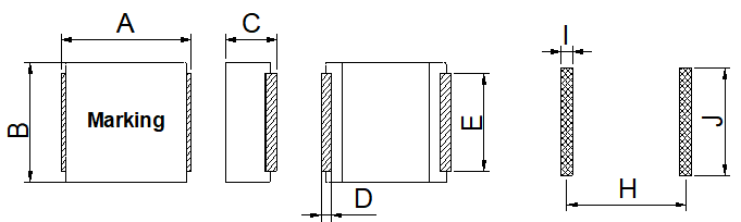
      (mm)

      (mm)

      (mm)
      封装
      屏蔽
      材质
      大一体成型电感
      ACKST1707-1.5uH/M
      1.5
      ±20
      100KHz/1V
      1.96
      40.00
      23.00
      车规品
      量产
      -55~155
      17.2
      17
      6.8
      SMD
      Y
      合金
      大一体成型电感
      ACKST1707-2.2uH/M
      2.2
      ±20
      100KHz/1V
      2.50
      36.00
      29.00
      车规品
      量产
      -55~155
      17.2
      17
      6.8
      SMD
      Y
      合金
      大一体成型电感
      ACKST1707-3.3uH/M
      3.3
      ±20
      100KHz/1V
      3.20
      35.00
      23.00
      车规品
      量产
      -55~155
      17.2
      17
      6.8
      SMD
      Y
      合金
      大一体成型电感
      ACKST1707-4.7uH/M
      4.7
      ±20
      100KHz/1V
      4.75
      24.00
      21.00
      车规品
      量产
      -55~155
      17.2
      17
      6.8
      SMD
      Y
      合金
      大一体成型电感
      ACKST1707-6.8uH/M
      6.8
      ±20
      100KHz/1V
      7.50
      22.50
      15.00
      车规品
      量产
      -55~155
      17.2
      17
      6.8
      SMD
      Y
      合金
      大一体成型电感
      ACKST1707-8.2uH/M
      8.2
      ±20
      100KHz/1V
      8.70
      20.00
      14.00
      车规品
      量产
      -55~155
      17.2
      17
      6.8
      SMD
      Y
      合金
      大一体成型电感
      ACKST1707-10uH/M
      10
      ±20
      100KHz/1V
      9.90
      19.00
      13.00
      车规品
      量产
      -55~155
      17.2
      17
      6.8
      SMD
      Y
      合金
      大一体成型电感
      ACKST1707-15uH/M
      15
      ±20
      100KHz/1V
      17.00
      14.50
      10.00
      车规品
      量产
      -55~155
      17.2
      17
      6.8
      SMD
      Y
      合金
      大一体成型电感
      ACKST1707-22uH/M
      22
      ±20
      100KHz/1V
      23.00
      11.50
      8.50
      车规品
      量产
      -55~155
      17.2
      17
      6.8
      SMD
      Y
      合金
      大一体成型电感
      ACKST1707-33uH/M
      33
      ±20
      100KHz/1V
      37.00
      10.70
      8.00
      车规品
      量产
      -55~155
      17.2
      17
      6.8
      SMD
      Y
      合金
      大一体成型电感
      ACKST1707-47uH/M
      47
      ±20
      100KHz/1V
      47.00
      7.50
      6.00
      车规品
      量产
      -55~155
      17.2
      17
      6.8
      SMD
      Y
      合金
      大一体成型电感
      ACKST1707-68uH/M
      68
      ±20
      100KHz/1V
      76.00
      6.50
      4.60
      车规品
      量产
      -55~155
      17.2
      17
      6.8
      SMD
      Y
      合金
      大一体成型电感
      ACKST1707-100uH/M
      100
      ±20
      100KHz/1V
      106.00
      5.00
      4.00
      车规品
      量产
      -55~155
      17.2
      17
      6.8
      SMD
      Y
      合金
      注释
      所有数据基于环境温度25℃条件下测试。
      电感测试条件为100kHz, 1.0V。
      饱和电流:电感值下降其初始值的30%时所加载的实际直流电流值。
      温升电流:使产品温度上升到ΔT40℃时所加载的实际直流电流值(Ta=393℃)。
      特别提醒:线路设计,组件布局,印刷线路板(PCB)尺寸及厚度,散热系统等均会影响产品温度。
      请务必在最终应用时,验证产品发热状况。
      保存
      产品在包装中的保存条件: 温度 5~40°C,相对湿度小于等于 70%。
      如果取出使用,剩余的产品请用胶袋密封按照以上条件保存,避免端子(电极)氧化,影响焊接状态。
      产品储存期不建议超过 12 个月,在其他影响下,端子可能会退化,导致焊接性差。
      请不要将产品保存于高温、高湿、有尘埃、腐蚀性气体的不适合环境中。
      请小心轻放,避免由于产品的跌落或取用不当而引致的损坏。
      手上的油脂会导致可焊性降低,应避免用手直接接触端子。
      相关产品